Dveřní závěs skrytý Anselmi 140 3D matný chrom
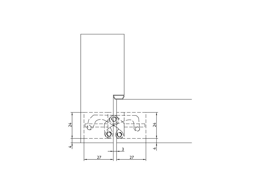
Vyvrtáme otvor
K dřezu vyvrtáme otvor pro baterii zcela ZDARMA!
Související produkty
Detailní popis produktu
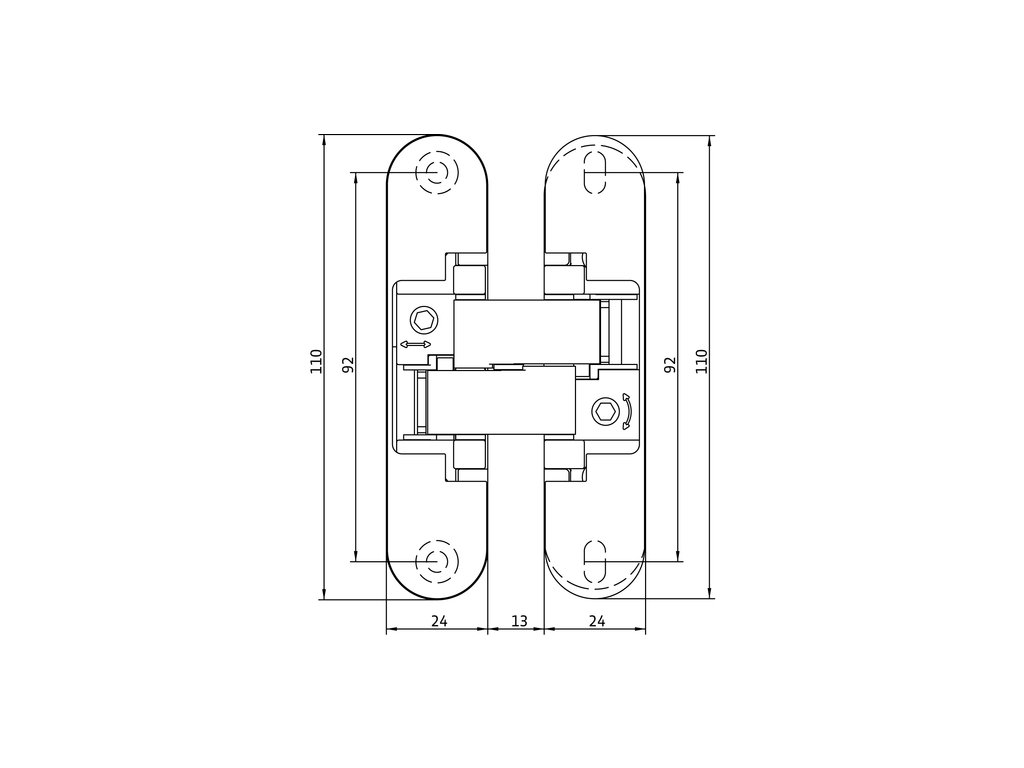
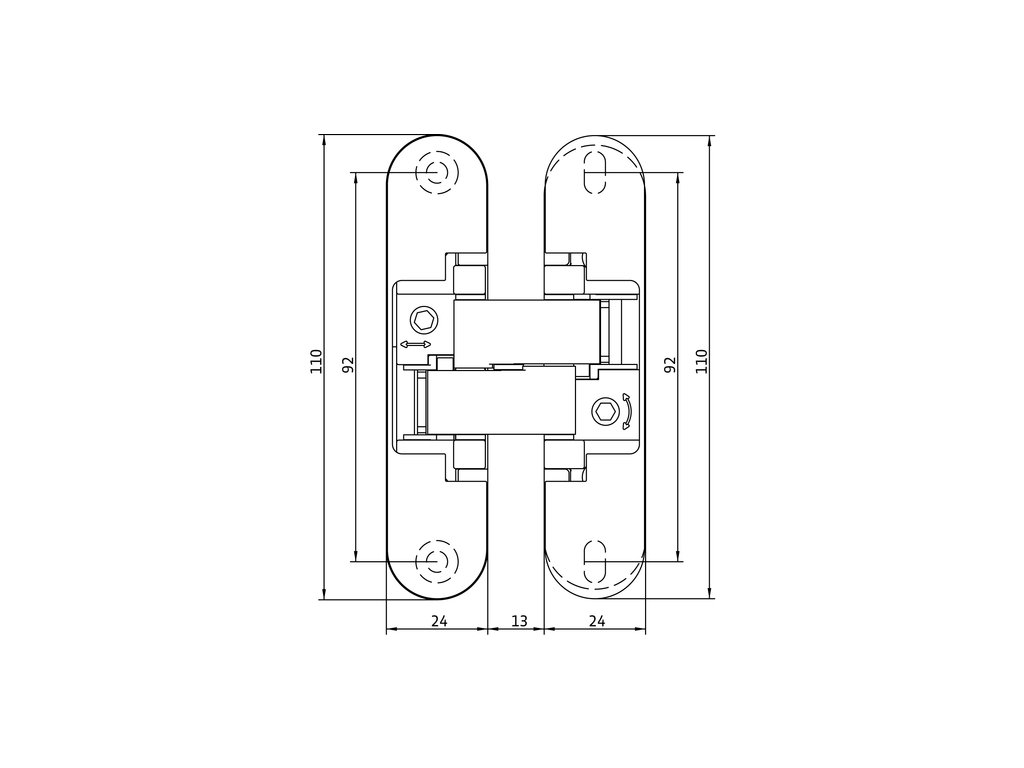
Skrytý dveřní závěs
elegantní řešení skrytých závěsu spolu s vysokou kvalitou zpracování a možností seřízení nabízí skrytý dveřní závěs ANSELMI 140 3D.
Hlavní technické vlastností závěsu:
3D nastavení (do boku +/- 1,5 mm, na výšku +/- 2,5 mm, zapuštění +/- 1,0 mm)
Nosnost závěsu 40,0 kg (při použítí dvou závěsů a rozměrů dveřního křídla 900 x 2100 mm)
Materiál závěsu ocel + acetal
Úhel otevření závěsu je 180 °
Doplňkové parametry
| Kategorie: | Dveřní kování a kliky |
|---|---|
| Záruka: | 2 roky |
| Značky: | Anselmi - Simoswerk |
Hodnocení produktu
Buďte první, kdo napíše příspěvek k této položce.
